2009
Make:
Main Category:
Sub Category:
Brands
Colour:
Material:
Horsepower Target:
Coilovers Type:
Nismo - Door Handle Protector Type L - Nissan

Nismo - Door Handle Protector Type L - Nissan
$33.30
Specifications:Manufacturer: NismoReference Number: 8064A-RN020Type: Door Handle Protector Carbon LookSold By pair, please check below the list of model it fits: Nissan Dualis J10 MR20DE (05/2007-03/2014) Nissan Dualis KJ10 MR20DE (05/2008-03/2014) Nissan Dualis KNJ10 MR20DE (05/2008-09/2009) Nissan Elgrand PE52 VQ35DE (08/2010~) Nissan Elgrand ...
Nismo - Door Handle Protector Type M - Nissan

Nismo - Door Handle Protector Type M - Nissan
$33.30
Specifications:Manufacturer: NismoReference Number: 8064A-RN010Type: Door Handle Protector Carbon LookSold By pair, please check below the list of model it fits:Nissan Cube BNZ11 CR14DE (01/2007-10/2008) Nissan Cube BNZ11 CR14DE (05/2005-12/2006) Nissan Cube BNZ11 CR14DE (10/2002-04/2005) Nissan Cube BZ11 CR14DE (01/2007-10/2008) Nissan Cube BZ1...

Nismo - Floor Mat Set - Nissan - GT-R R35
$1,305.00
Specifications:Manufacturer: NismoReference Number: 74900-RNR50Full set of 4 Mats for your Nissan GT-R R35. ( Ony for RHD Vehicles)Taxes:Singapore and Malaysia: All import taxes are included in our pricing.European Tva, Iva: Taxes will be calculated during checkout at our company import rate. No additional charges will be added by your local aut...
Nismo - Logo Sticker Set - Black

Nismo - Logo Sticker Set - Black
$26.80
Specifications:Manufacturer: NismoReference Number: 99992-RN242Type: Nismo logo Dimensions mm: : 21 x 162 S-Tune logo Dimensions mm: : 25 x 95 Num. of Nismo logo Stickers: 4 Num. of S-Tune logo Stickers: 3 Color: BlackPlease note that our system calculates most AERO parts weight and shipping cost using Volumetric Weight. ((LxWxH)/5000)It often r...
Nismo - Logo Sticker Set - White

Nismo - Logo Sticker Set - White
$26.80
Specifications:Manufacturer: NismoReference Number: 99992-RN241Type: Nismo logo Dimensions mm: : 21 x 162 S-Tune logo Dimensions mm: : 25 x 95 Num. of Nismo logo Stickers: 4 Num. of S-Tune logo Stickers: 3 Color: WhitePlease note that our system calculates most AERO parts weight and shipping cost using Volumetric Weight. ((LxWxH)/5000)It often r...
Nismo Gt Pro Carbon - 2 way Rear LSD - Nissan GT-R - R35 (MT,CVT)

Nismo Gt Pro Carbon - 2 way Rear LSD - Nissan GT-R - R35 (MT,CVT)
$2,872.90
Specifications:Manufacturer: NismoPart Number: 38420-RSR50LSD Model: Gt Pro CarbonLSD Type: 2 wayTransmission Type: MT,CVTPosition: RearIMPORTANT: Read the fitting tab to ensure this part fits on your car!!The GT series LSD has been used and tested in the Japan GT series. It is also the preferred LSD by many Nissan drivers in such motorsports as...

NRG - Carbon Fiber GT Wing - CARB-A590NRG
$733.90
Specifications:Manufacturer: NRGReference Number: CARB-A590NRGType: GT WingMaterial: CarbonApproximative Packaging Size: 172x56x13( volumetric Weight: 25.1) Carbon Fiber Spoiler is made with high lightweight carbon fiber glass. The wing is designed to reinforce strength and exterior appearance of the vehicles. Aerodynamic includes fuel efficianc...

NRG - Carbon Fiber GT Wing - CARB-A591NRG
$907.40
Specifications:Manufacturer: NRGReference Number: CARB-A591NRGType: GT WingMaterial: CarbonApproximative Packaging Size: 172x56x13( volumetric Weight: 25.1) Carbon Fiber Spoiler is made with high lightweight carbon fiber glass in chopped carbon layout. The wing is designed to reinforce strength and exterior appearance of the vehicles. Aerodynami...

NRG - Carbon Fiber GT Wing - CARB-A691NRG
$960.80
Specifications:Manufacturer: NRGReference Number: CARB-A691NRGType: GT WingMaterial: CarbonApproximative Packaging Size: 172x56x13( volumetric Weight: 25.1) Carbon Fiber Spoiler is made with high lightweight carbon fiber glass. The wing is designed to reinforce strength and exterior appearance of the vehicles. Aerodynamic includes fuel efficianc...

NRG - Carbon Fiber GT Wing - CARB-A692NRG
$960.80
Specifications:Manufacturer: NRGReference Number: CARB-A692NRGType: GT WingMaterial: CarbonApproximative Packaging Size: 172x56x13( volumetric Weight: 25.1) Carbon Fiber Spoiler is made with high lightweight carbon fiber glass. The wing is designed to reinforce strength and exterior appearance of the vehicles. Aerodynamic includes fuel efficianc...
NRG - Quick Release Gen 2

NRG - Quick Release Gen 2
$152.30
Specifications:Manufacturer: NRGReference Number: SRK-200BKThe NRG Innovations has developed the Next Racing Generation in quick release. These new units feature many options that conventional Ball-Lock quick release systems do not offer including specially designed raised sections to prevent the hub from stretches, a self locking mechanism for ...
NRG - Quick Release Gen 2.1

NRG - Quick Release Gen 2.1
$197.20
Specifications:Manufacturer: NRGReference Number: SRK-210BK/BKThe NRG Innovations has developed the Next Racing Generation in quick release. These new units feature many options that conventional Ball-Lock quick release systems do not offer including specially designed raised sections to prevent the hub from stretches, a self locking mechanism f...

NRG - Quick Release Gen 2.2 - Black Body / Shinny Black Oval Ring
$197.20
Specifications:Manufacturer: NRGReference Number: SRK-220BKThe NRG Innovations has developed the Next Racing Generation in quick release. These new units feature many options that conventional Ball-Lock quick release systems do not offer including specially designed raised sections to prevent the hub from stretches, a self locking mechanism for ...
NRG - Quick Release Gen 2.5

NRG - Quick Release Gen 2.5
$212.20
Specifications:Manufacturer: NRGReference Number: SRK-250BK/CGThe NRG Innovations has developed the Next Racing Generation in quick release. These new units feature many options that conventional Ball-Lock quick release systems do not offer including specially designed raised sections to prevent the hub from stretches, a self locking mechanism f...
NRG - Quick Release Gen 3

NRG - Quick Release Gen 3
$247.50
Specifications:Manufacturer: NRGReference Number: SRK-650BK-C/GDThe NRG Innovations has developed the Next Racing Generation in quick release. These new units feature many options that conventional Ball-Lock quick release systems do not offer including specially designed raised sections to prevent the hub from stretches, a self locking mechanism...
NRG - Short Hubs SRK-120H for most Toyota

NRG - Short Hubs SRK-120H for most Toyota
$146.00
Specifications:Manufacturer: NRGReference Number: SRK-120HOur iconic Short Hub, and the product that started it all. A steering shaft hub for use with a lockable steering wheel quick-release unit, Patent: US752793B1, featuring the shortest possible mounting surface while still retaining the ability to use your horn and turn signals about 99% of ...
NSK Release Bearing TK40-1B2

NSK Release Bearing TK40-1B2
$37.00
Specifications:Manufacturer: NSKProduct Type: Clutch Release BearingTaxes:Singapore and Malaysia: All import taxes are included in our pricing.European Tva, Iva: Taxes will be calculated during checkout at our company import rate. No additional charges will be added by your local authority.USA: If this product is shipped from our US warehouse th...
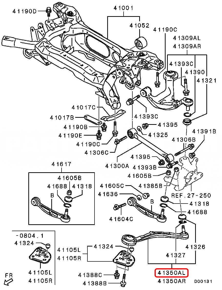
OEM Mitsubishi - ARM ASSY,RR SUSP TRAILING,LH - Mitsubishi - Lancer Evolution X CZ4A

OEM Mitsubishi - ARM ASSY,RR SUSP TRAILING,LH - Mitsubishi - Lancer Evolution X CZ4A
$381.70
Specifications:Manufacturer: OEM MitsubishiPosition: FrontCamber Adjustment Range: Sold per piece.Taxes:Singapore and Malaysia: All import taxes are included in our pricing.European Tva, Iva: Taxes will be calculated during checkout at our company import rate. No additional charges will be added by your local authority.USA: If this product is sh...
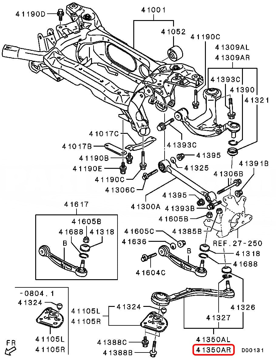
OEM Mitsubishi - ARM ASSY,RR SUSP TRAILING,RH - Mitsubishi - Lancer Evolution X CZ4A

OEM Mitsubishi - ARM ASSY,RR SUSP TRAILING,RH - Mitsubishi - Lancer Evolution X CZ4A
$381.70
Specifications:Manufacturer: OEM MitsubishiPosition: FrontCamber Adjustment Range: Sold per piece.Taxes:Singapore and Malaysia: All import taxes are included in our pricing.European Tva, Iva: Taxes will be calculated during checkout at our company import rate. No additional charges will be added by your local authority.USA: If this product is sh...

OEM Mitsubishi - ARM ASSY,RR SUSP,LWR - Mitsubishi - Lancer Evolution X CZ4A
$240.40
Specifications:Manufacturer: OEM MitsubishiPosition: FrontCamber Adjustment Range: Sold per piece.Taxes:Singapore and Malaysia: All import taxes are included in our pricing.European Tva, Iva: Taxes will be calculated during checkout at our company import rate. No additional charges will be added by your local authority.USA: If this product is sh...

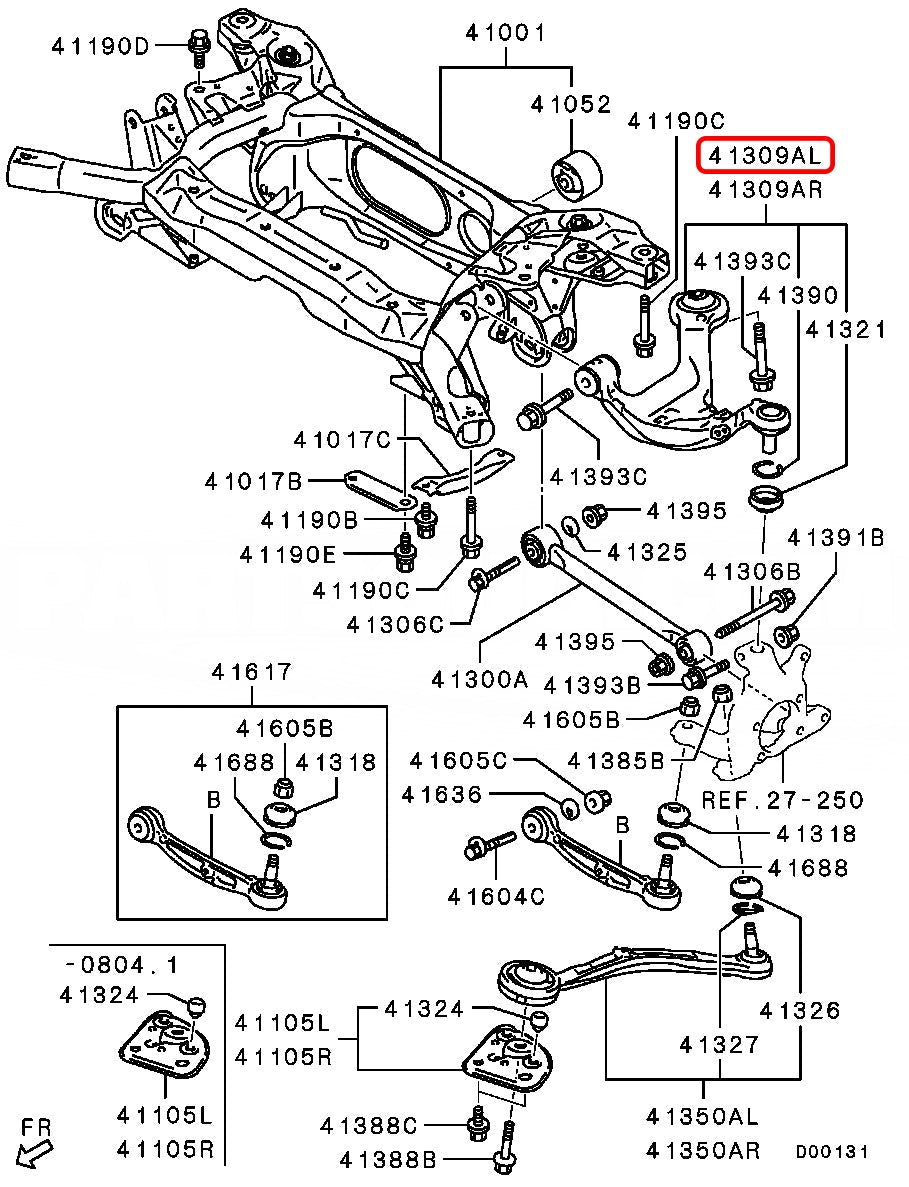
OEM Mitsubishi - ARM ASSY,RR SUSP,UPR LH - Mitsubishi - Lancer Evolution X CZ4A
$604.30
Specifications:Manufacturer: OEM MitsubishiPosition: FrontCamber Adjustment Range: Sold per piece.Taxes:Singapore and Malaysia: All import taxes are included in our pricing.European Tva, Iva: Taxes will be calculated during checkout at our company import rate. No additional charges will be added by your local authority.USA: If this product is sh...

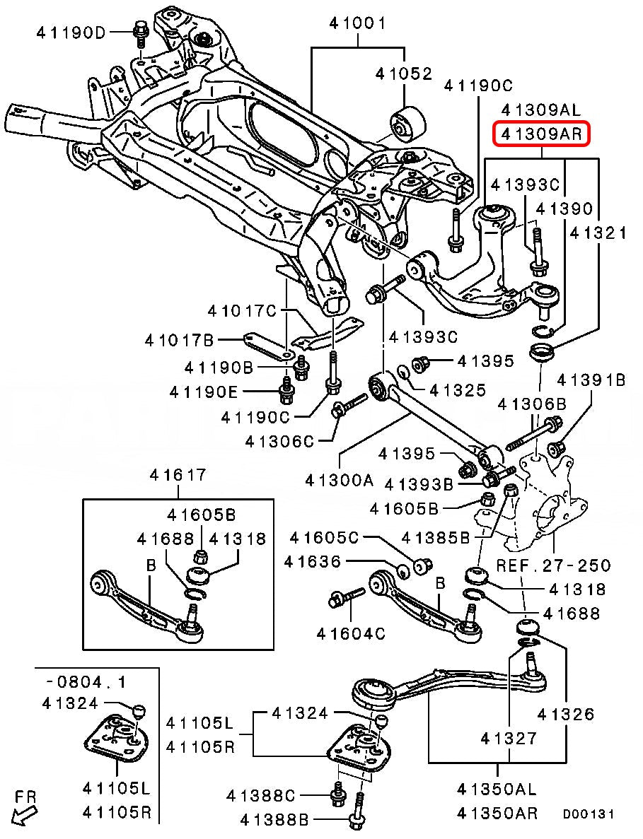
OEM Mitsubishi - ARM ASSY,RR SUSP,UPR RH - Mitsubishi - Lancer Evolution X CZ4A
$604.30
Specifications:Manufacturer: OEM MitsubishiPosition: FrontCamber Adjustment Range: Sold per piece.Taxes:Singapore and Malaysia: All import taxes are included in our pricing.European Tva, Iva: Taxes will be calculated during checkout at our company import rate. No additional charges will be added by your local authority.USA: If this product is sh...

OEM Mitsubishi - Car Cover - Lancer Evolution X CZ4A
$231.00
Specifications:Manufacturer: OEM MitsubishiReference Number: MZ541689Type: Car CoverMaterial: Car Cover1 piece included!Taxes:Singapore and Malaysia: All import taxes are included in our pricing.European Tva, Iva: Taxes will be calculated during checkout at our company import rate. No additional charges will be added by your local authority.USA:...

OEM Mitsubishi - Clutch Cover Assy - Mitsubishi - Lancer Evolution X CZ4A
$317.00
Specifications:Manufacturer: OEM MitsubishiWeight: OEMkgMaintain your car as Mitsubishi intended. As with all genuine Honda parts expect a perfect fit and performance every time.Taxes:Singapore and Malaysia: All import taxes are included in our pricing.European Tva, Iva: Taxes will be calculated during checkout at our company import rate. No add...